Product navigation
Where are you now:Index-Products-SS Slide Switch-Details
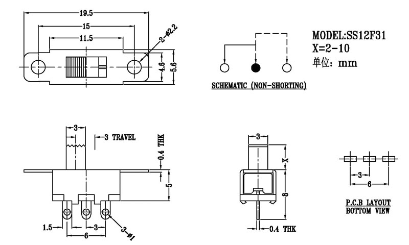
SS-12F31
Date:2018/6/6 Read:1474
Product introduction:
Slide Switch Main data Rating:DC 50V 0.3A~1A ContactResistance:< 100 mΩ InsulationResistance:≥ 100 MΩ Withstand Voltage:500V AC for 1 minute Operating Force:180~500gf Life cycles:10000次 Operationg Temperature:-16℃to+60℃ Storage Temperature:-40℃to+85℃ Complies with:RoHs&Reach
Product introduction

Relevant Product recommendation

- SS-14H03

- SS-16F01NAT

- SS-16F03

- SS-16F04
