Product navigation
Where are you now:Index-Products-High current toggle-Details
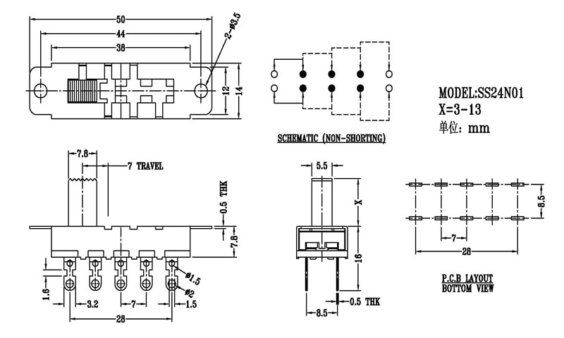
SS-24N01
Date:2018/6/2 Read:2960
Product introduction:
Slide Switch Main data Rating:DC 50V 0.3A~1A ContactResistance:< 100 mΩ InsulationResistance:≥ 100 MΩ Withstand Voltage:500V AC for 1 minute Operating Force:180~500gf Life cycles:10000次 Operationg Temperature:-16℃to+60℃ Storage Temperature:-40℃to+85℃ Complies with:RoHs&Reach
Product introduction

Relevant Product recommendation

- SS-1305

- SS-25H25-T

- SS-23H25-T

- SS-23H25
