产品分类导航
您现在的位置:首页-产品中心-迷你型-详细内容
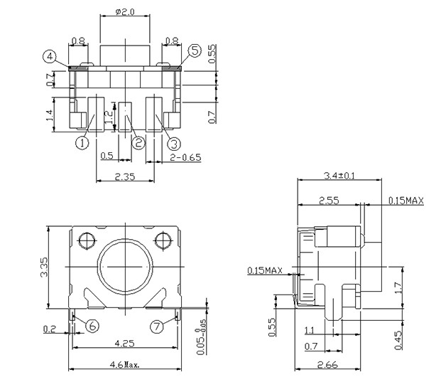
TS6230-3.5
日期:2012/8/12 阅读:6904次
产品简介:
尺寸: 4.5X2.56mm 产品分类: 轻触开关 - A系列 / 迷你型 应用 ※ 便携式设备 ※ 手机和掌上电脑 ※ 各种数码设备的操作 特点 ※ 侧边类型可以在PCB上侧按 ※ 用12mm宽的编带包装
产品介绍
相关产品推荐

- TSTP4028U-H

- TSG6040-7.4

- TS3737-0.35

- TSTP3131-0.7
