²úÆ··ÖÀർº½
ÄúÏÖÔÚµÄλÖãºÊ×Ò³£²úÆ·ÖÐÐÄ£SK ²¦¶¯¿ª¹Ø-ÏêϸÄÚÈÝ
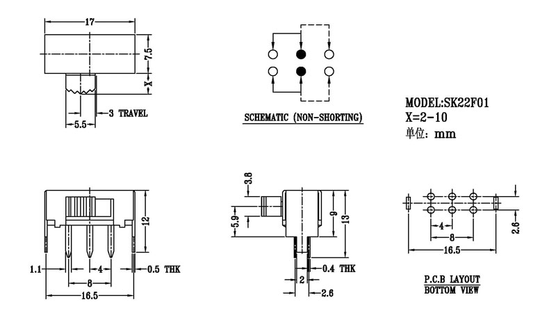
SK-22F02
ÈÕÆÚ£º2018/5/30 ÔĶÁ£º3933´Î
²úÆ·¼ò½é£º
“Ü„Óé_êPÖ÷Òª¼¼Ðg…¢”µ: ʹÓù¦ÂÊ/î~¶¨Öµ:DC 50V 0.3A~1A Ó|ücëŠ×è:< 100 m¦¸ ½^¾‰ëŠ×è:¡Ý 100 M¦¸ Ä͉º:500V AC for 1 minute “Ü„ÓÁ¦:180~500gf ʹÓÉÛÃü:10000´Î ²Ù×÷œØ¶È:-16¡æto+60¡æ ƒ¦´æœØ¶È:-40¡æto+85¡æ ·ûºÏ˜ËœÊ:RoHs&Reach
²úÆ·½éÉÜ

Ïà¹Ø²úÆ·ÍÆ¼ö

- SK-12D01

- SK-12D02

- SK-12D07

- SK-12D09
