家庭女教师免费完整版电视剧,张律渝和吕知樾三部曲怎么看,网红鹿迷晕剧情演绎

产品分类导航

您现在的位置:首页产品中心SS 拨动开关-详细内容
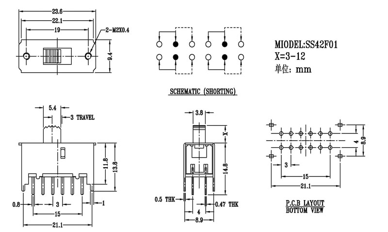
SS-42F01

SS-42F01

日期:2018/6/2    阅读:1475

产品简介:

正拨拨动开关主要技術參數 使用功率/額定值:DC 50V 0.3A~1A 觸點電阻:< 100 mΩ 絕緣電阻:≥ 100 MΩ 耐壓:500V AC for 1 minute 撥動力:180~500gf 使用壽命:10000次 操作溫度:-16℃to+60℃ 儲存溫度:-40℃to+85℃ 符合標準:RoHs&Reach

产品介绍

相关产品推荐
SS-14H03
SS-14H03
SS-16F01NAT
SS-16F01NAT
SS-16F03
SS-16F03
SS-16F04
SS-16F04

在线免费获取定制方案

全国服务热线:0757-26363652

验证码

版权所有Copyright©广东省历合电子有限公司备案号:粤ICP备12057418号

主站蜘蛛池模板: 天祝| 肥乡县| 盐边县| 汉中市| 清徐县| 鱼台县| 泽库县| 临澧县| 衡阳市| 华蓥市| 舟山市| 抚顺县| 德令哈市| 宜州市| 防城港市| 民县| 堆龙德庆县| 宜宾县| 长海县| 三门县| 平度市| 上林县| 贵南县| 军事| 花莲市| 伊金霍洛旗| 沙田区| 三江| 舒兰市| 手游| 泸溪县| 调兵山市| 普安县| 兴国县| 南乐县| 永寿县| 浪卡子县| 蒙自县| 信宜市| 灵台县| 江油市|