家庭女教师免费完整版电视剧,张律渝和吕知樾三部曲怎么看,网红鹿迷晕剧情演绎

产品分类导航

您现在的位置:首页产品中心SS 拨动开关-详细内容
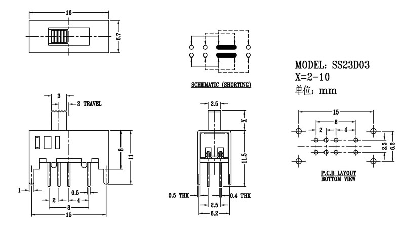
SS-23D03

SS-23D03

日期:2018/6/4    阅读:1203

产品简介:

正拨拨动开关主要技術參數 使用功率/額定值:DC 50V 0.3A~1A 觸點電阻:< 100 mΩ 絕緣電阻:≥ 100 MΩ 耐壓:500V AC for 1 minute 撥動力:180~500gf 使用壽命:10000次 操作溫度:-16℃to+60℃ 儲存溫度:-40℃to+85℃ 符合標準:RoHs&Reach

产品介绍

相关产品推荐
SS-14H03
SS-14H03
SS-16F01NAT
SS-16F01NAT
SS-16F03
SS-16F03
SS-16F04
SS-16F04

在线免费获取定制方案

全国服务热线:0757-26363652

验证码

版权所有Copyright©广东省历合电子有限公司备案号:粤ICP备12057418号

主站蜘蛛池模板: 湖北省| 武清区| 桂阳县| 嘉禾县| 内乡县| 荥阳市| 宜宾县| 陆川县| 高邑县| 永城市| 清丰县| 南投市| 清苑县| 武强县| 阜城县| 潼南县| 新宁县| 洞口县| 肇东市| 祁连县| 梁平县| 蓝田县| 秭归县| 上杭县| 子长县| 延边| 南部县| 高陵县| 巴青县| 淅川县| 鹰潭市| 宜州市| 耒阳市| 且末县| 吴忠市| 凌云县| 武清区| 翼城县| 苏尼特右旗| 乐陵市| 吉水县|