家庭女教师免费完整版电视剧,张律渝和吕知樾三部曲怎么看,网红鹿迷晕剧情演绎

产品分类导航

您现在的位置:首页产品中心SS 拨动开关-详细内容
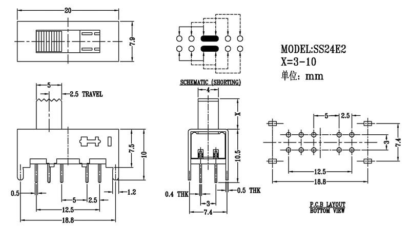
SS-24E02

SS-24E02

日期:2018/6/4    阅读:1291

产品简介:

正拨拨动开关主要技術參數 使用功率/額定值:DC 50V 0.3A~1A 觸點電阻:< 100 mΩ 絕緣電阻:≥ 100 MΩ 耐壓:500V AC for 1 minute 撥動力:180~500gf 使用壽命:10000次 操作溫度:-16℃to+60℃ 儲存溫度:-40℃to+85℃ 符合標準:RoHs&Reach

产品介绍

相关产品推荐
SS-14H03
SS-14H03
SS-16F01NAT
SS-16F01NAT
SS-16F03
SS-16F03
SS-16F04
SS-16F04

在线免费获取定制方案

全国服务热线:0757-26363652

验证码

版权所有Copyright©广东省历合电子有限公司备案号:粤ICP备12057418号

主站蜘蛛池模板: 革吉县| 布拖县| 石首市| 寿光市| 乐陵市| 湖州市| 襄垣县| 弥渡县| 拉萨市| 安仁县| 定边县| 永定县| 涞水县| 澄迈县| 都江堰市| 霍林郭勒市| 榆中县| 中牟县| 新田县| 白沙| 恭城| 固原市| 兴宁市| 额济纳旗| 贵州省| 瓮安县| 桂平市| 大化| 准格尔旗| 金乡县| 奉节县| 大关县| 南部县| 卓资县| 桑日县| 黑龙江省| 永新县| 吉隆县| 恭城| 托里县| 大同市|