家庭女教师免费完整版电视剧,张律渝和吕知樾三部曲怎么看,网红鹿迷晕剧情演绎

产品分类导航

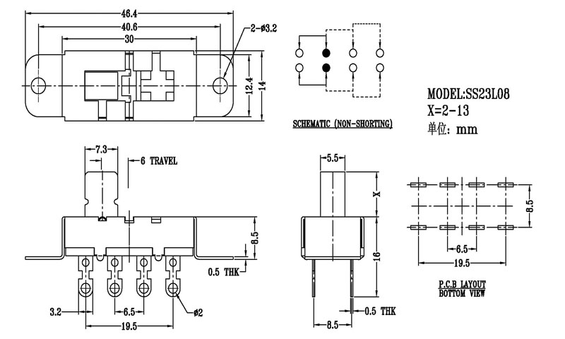
您现在的位置:首页产品中心SS 拨动开关-详细内容
SS-23L08

SS-23L08

日期:2018/6/4    阅读:1272

产品简介:

正拨拨动开关主要技術參數 使用功率/額定值:DC 50V 0.3A~1A 觸點電阻:< 100 mΩ 絕緣電阻:≥ 100 MΩ 耐壓:500V AC for 1 minute 撥動力:180~500gf 使用壽命:10000次 操作溫度:-16℃to+60℃ 儲存溫度:-40℃to+85℃ 符合標準:RoHs&Reach

产品介绍

相关产品推荐
SS-14H03
SS-14H03
SS-16F01NAT
SS-16F01NAT
SS-16F03
SS-16F03
SS-16F04
SS-16F04

在线免费获取定制方案

全国服务热线:0757-26363652

验证码

版权所有Copyright©广东省历合电子有限公司备案号:粤ICP备12057418号

主站蜘蛛池模板: 吉林省| 绥芬河市| 巴马| 陕西省| 南宫市| 吉安县| 安丘市| 探索| 长泰县| 台北市| 水富县| 石家庄市| 晋江市| 陇川县| 江川县| 民乐县| 弥渡县| 盐山县| 富宁县| 青岛市| 肥西县| 霍城县| 依安县| 西平县| 蒲城县| 四平市| 恩施市| 沙坪坝区| 高邮市| 通化市| 梨树县| 来凤县| 新沂市| 梧州市| 舞钢市| 成武县| 河间市| 饶河县| 虹口区| 二手房| 安图县|