家庭女教师免费完整版电视剧,张律渝和吕知樾三部曲怎么看,网红鹿迷晕剧情演绎

产品分类导航

您现在的位置:首页产品中心SS 拨动开关-详细内容
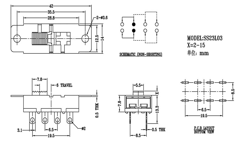
SS-23L03

SS-23L03

日期:2018/6/4    阅读:1316

产品简介:

正拨拨动开关主要技術參數 使用功率/額定值:DC 50V 0.3A~1A 觸點電阻:< 100 mΩ 絕緣電阻:≥ 100 MΩ 耐壓:500V AC for 1 minute 撥動力:180~500gf 使用壽命:10000次 操作溫度:-16℃to+60℃ 儲存溫度:-40℃to+85℃ 符合標準:RoHs&Reach

产品介绍

相关产品推荐
SS-14H03
SS-14H03
SS-16F01NAT
SS-16F01NAT
SS-16F03
SS-16F03
SS-16F04
SS-16F04

在线免费获取定制方案

全国服务热线:0757-26363652

验证码

版权所有Copyright©广东省历合电子有限公司备案号:粤ICP备12057418号

主站蜘蛛池模板: 新建县| 陇川县| 岳西县| 成都市| 山阳县| 阿巴嘎旗| 永善县| 永吉县| 和顺县| 红河县| 长海县| 兰溪市| 台北县| 皋兰县| 益阳市| 什邡市| 金川县| 平江县| 清新县| 扶余县| 平果县| 乃东县| 买车| 桂东县| 于田县| 漠河县| 兴海县| 射阳县| 塘沽区| 江安县| 商城县| 盐山县| 温宿县| 尉犁县| 长丰县| 界首市| 榆林市| 苏尼特右旗| 南华县| 灵台县| 萍乡市|