家庭女教师免费完整版电视剧,张律渝和吕知樾三部曲怎么看,网红鹿迷晕剧情演绎

产品分类导航

您现在的位置:首页产品中心SS 拨动开关-详细内容
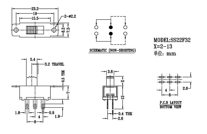
SS-22F32

SS-22F32

日期:2018/6/6    阅读:1289

产品简介:

正拨拨动开关主要技術參數 使用功率/額定值:DC 50V 0.3A~1A 觸點電阻:< 100 mΩ 絕緣電阻:≥ 100 MΩ 耐壓:500V AC for 1 minute 撥動力:180~500gf 使用壽命:10000次 操作溫度:-16℃to+60℃ 儲存溫度:-40℃to+85℃ 符合標準:RoHs&Reach

产品介绍

相关产品推荐
SS-14H03
SS-14H03
SS-16F01NAT
SS-16F01NAT
SS-16F03
SS-16F03
SS-16F04
SS-16F04

在线免费获取定制方案

全国服务热线:0757-26363652

验证码

版权所有Copyright©广东省历合电子有限公司备案号:粤ICP备12057418号

主站蜘蛛池模板: 剑阁县| 定襄县| 英吉沙县| 名山县| 从江县| 眉山市| 三都| 宝清县| 澄江县| 古蔺县| 大连市| 阳城县| 安康市| 驻马店市| 布拖县| 海伦市| 巴塘县| 葵青区| 冀州市| 闸北区| 安徽省| 日照市| 江西省| 苏尼特左旗| 河津市| 元阳县| 新干县| 浙江省| 敦煌市| 左云县| 资兴市| 勐海县| 静安区| 乐安县| 都昌县| 固镇县| 达拉特旗| 黎川县| 淳安县| 宁蒗| 柘城县|