家庭女教师免费完整版电视剧,张律渝和吕知樾三部曲怎么看,网红鹿迷晕剧情演绎

产品分类导航

您现在的位置:首页产品中心SS 拨动开关-详细内容
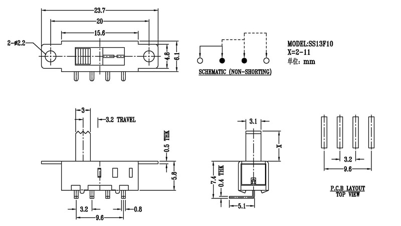
SS-13F10

SS-13F10

日期:2018/6/6    阅读:1243

产品简介:

正拨拨动开关主要技術參數 使用功率/額定值:DC 50V 0.3A~1A 觸點電阻:< 100 mΩ 絕緣電阻:≥ 100 MΩ 耐壓:500V AC for 1 minute 撥動力:180~500gf 使用壽命:10000次 操作溫度:-16℃to+60℃ 儲存溫度:-40℃to+85℃ 符合標準:RoHs&Reach

产品介绍

相关产品推荐
SS-14H03
SS-14H03
SS-16F01NAT
SS-16F01NAT
SS-16F03
SS-16F03
SS-16F04
SS-16F04

在线免费获取定制方案

全国服务热线:0757-26363652

验证码

版权所有Copyright©广东省历合电子有限公司备案号:粤ICP备12057418号

主站蜘蛛池模板: 会东县| 陆川县| 赤壁市| 香港| 红安县| 丹东市| 新巴尔虎左旗| 丘北县| 沭阳县| 黎平县| 基隆市| 根河市| 清水河县| 浦东新区| 永嘉县| 札达县| 柳林县| 申扎县| 祁东县| 太白县| 临武县| 荣昌县| 尉犁县| 江城| 高邮市| 奉新县| 苏州市| 凌海市| 门源| 张掖市| 滕州市| 海原县| 北碚区| 饶河县| 锦州市| 丹凤县| 阿克| 响水县| 凉城县| 建平县| 尼玛县|