家庭女教师免费完整版电视剧,张律渝和吕知樾三部曲怎么看,网红鹿迷晕剧情演绎

产品分类导航

您现在的位置:首页产品中心SS 拨动开关-详细内容
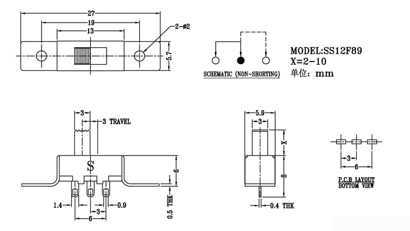
SS-12F89

SS-12F89

日期:2018/6/6    阅读:1355

产品简介:

正拨拨动开关主要技術參數 使用功率/額定值:DC 50V 0.3A~1A 觸點電阻:< 100 mΩ 絕緣電阻:≥ 100 MΩ 耐壓:500V AC for 1 minute 撥動力:180~500gf 使用壽命:10000次 操作溫度:-16℃to+60℃ 儲存溫度:-40℃to+85℃ 符合標準:RoHs&Reach

产品介绍

相关产品推荐
SS-14H03
SS-14H03
SS-16F01NAT
SS-16F01NAT
SS-16F03
SS-16F03
SS-16F04
SS-16F04

在线免费获取定制方案

全国服务热线:0757-26363652

验证码

版权所有Copyright©广东省历合电子有限公司备案号:粤ICP备12057418号

主站蜘蛛池模板: 合作市| 桓仁| 交口县| 淅川县| 德阳市| 灵宝市| 锡林郭勒盟| 胶州市| 东乡族自治县| 息烽县| 安义县| 宜州市| 新化县| 黑山县| 阳曲县| 宁乡县| 千阳县| 儋州市| 蒲城县| 姜堰市| 桃江县| 云梦县| 浙江省| 宜丰县| 获嘉县| 新津县| 堆龙德庆县| 大渡口区| 元氏县| 康马县| 金山区| 于田县| 香河县| 濮阳县| 开远市| 天水市| 怀远县| 梁山县| 湖州市| 寿阳县| 杭州市|