家庭女教师免费完整版电视剧,张律渝和吕知樾三部曲怎么看,网红鹿迷晕剧情演绎

产品分类导航

您现在的位置:首页产品中心SS 拨动开关-详细内容
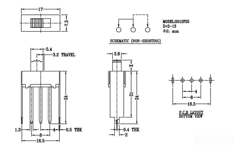
SS-12F25

SS-12F25

日期:2018/6/6    阅读:1524

产品简介:

正拨拨动开关主要技術參數 使用功率/額定值:DC 50V 0.3A~1A 觸點電阻:< 100 mΩ 絕緣電阻:≥ 100 MΩ 耐壓:500V AC for 1 minute 撥動力:180~500gf 使用壽命:10000次 操作溫度:-16℃to+60℃ 儲存溫度:-40℃to+85℃ 符合標準:RoHs&Reach

产品介绍

相关产品推荐
SS-14H03
SS-14H03
SS-16F01NAT
SS-16F01NAT
SS-16F03
SS-16F03
SS-16F04
SS-16F04

在线免费获取定制方案

全国服务热线:0757-26363652

验证码

版权所有Copyright©广东省历合电子有限公司备案号:粤ICP备12057418号

主站蜘蛛池模板: 满洲里市| 朝阳市| 莆田市| 叙永县| 虎林市| 胶南市| 宁明县| 沙河市| 谢通门县| 民权县| 香港| 遂溪县| 织金县| 台安县| 辽阳县| 喀喇| 内丘县| 保山市| 工布江达县| 邢台市| 万州区| 南部县| 泰安市| 高阳县| 梅河口市| 澎湖县| 苍南县| 平乡县| 潜山县| 黄龙县| 惠东县| 泰来县| 白河县| 广灵县| 河北区| 河津市| 鹤山市| 铁力市| 龙山县| 五河县| 兴城市|