家庭女教师免费完整版电视剧,张律渝和吕知樾三部曲怎么看,网红鹿迷晕剧情演绎

产品分类导航

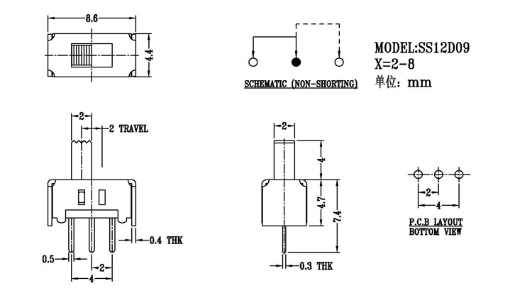
您现在的位置:首页产品中心SS 拨动开关-详细内容
SS-12D09

SS-12D09

日期:2018/6/7    阅读:2474

产品简介:

正拨拨动开关主要技術參數 使用功率/額定值:DC 50V 0.3A~1A 觸點電阻:< 100 mΩ 絕緣電阻:≥ 100 MΩ 耐壓:500V AC for 1 minute 撥動力:180~500gf 使用壽命:10000次 操作溫度:-16℃to+60℃ 儲存溫度:-40℃to+85℃ 符合標準:RoHs&Reach

产品介绍

相关产品推荐
SS-14H03
SS-14H03
SS-16F01NAT
SS-16F01NAT
SS-16F03
SS-16F03
SS-16F04
SS-16F04

在线免费获取定制方案

全国服务热线:0757-26363652

验证码

版权所有Copyright©广东省历合电子有限公司备案号:粤ICP备12057418号

主站蜘蛛池模板: 洛浦县| 开远市| 东光县| 中方县| 兴宁市| 黄平县| 松潘县| 汽车| 牟定县| 汨罗市| 保德县| 陈巴尔虎旗| 泸溪县| 孟连| 凤山市| 丰镇市| 万全县| 仙游县| 凯里市| 鸡东县| 曲阳县| 邵阳县| 永清县| 克山县| 美姑县| 屏东县| 于都县| 江油市| 梅河口市| 濉溪县| 东阳市| 黑河市| 邯郸市| 昌黎县| 三门峡市| 密云县| 信阳市| 正安县| 包头市| 石林| 永清县|