²úÆ··ÖÀർº½
ÄúÏÖÔÚµÄλÖãºÊ×Ò³£²úÆ·ÖÐÐÄ£SS ²¦¶¯¿ª¹Ø-ÏêϸÄÚÈÝ
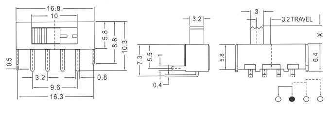
SS-13F24(1P3T)
ÈÕÆÚ£º2012/11/9 ÔĶÁ£º2664´Î
²úÆ·¼ò½é£º
²¦¶¯¿ª¹Ø,»¬¶¯¿ª¹Ø,¶«Ý¸²¦¶¯¿ª¹Ø,3A5A´óµçÁ÷²¦¿ª¹Ø,Ö±·¢Æ÷Ȧ·¢Æ÷²¦¶¯¿ª¹Ø,Íæ¾ß¿ª¹Ø,Á½µµ²¦ÈýµµËĵµÎåµµÁùµµÆßµµ²¦¶¯,SKSS²¦¶¯,Ö±±ú²¦¶¯ºá±ú²¦¶¯,²à°´²¦¶¯,΢ÐͲ¦¶¯
²úÆ·½éÉÜ
Ïà¹Ø²úÆ·ÍÆ¼ö

- SS-14H03

- SS-16F01NAT

- SS-16F03

- SS-16F04
