²úÆ··ÖÀർº½
ÄúÏÖÔÚµÄλÖãºÊ×Ò³£²úÆ·ÖÐÐģƷ×Ö²å×ù-ÏêϸÄÚÈÝ
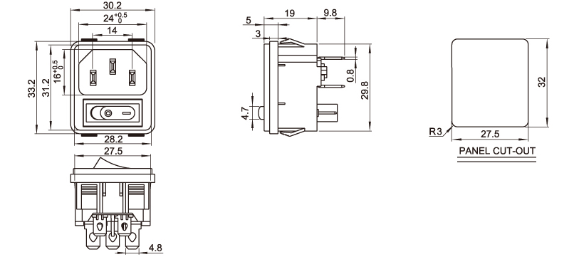
DB-14-2P-DD+RS
ÈÕÆÚ£º2018/5/19 ÔĶÁ£º1892´Î
²úÆ·¼ò½é£º
ÐÍ ºÅ£ºDB-14-2P-DD+RS: ¹Ø½¡´Ê£ºÆ·×Öβ²å×ù¡¢Æ·×ÖβµçÔ´²å×ù¡¢Æ·×Ö²å×ù¡¢ACµçÔ´²å×ù¡¢Æ÷¾ß²å×ù Óà ;£ºÐ¡¼ÒµçÆ·×ÖµçÔ´£»Ö÷»ú»úÏä²å×ù£»µçÆ¿³µµçÔ´²å×ù£»µçÆ÷²å×ù ³ß ´ç£º30.2*33.2 µçÁ÷µçѹ£º10A 250V
²úÆ·½éÉÜ
Ïà¹Ø²úÆ·ÍÆ¼ö

- DB-F-23

- DB-14-1C

- DB-14-F6-DD+RS6

- DB-14-F5
