家庭女教师免费完整版电视剧,张律渝和吕知樾三部曲怎么看,网红鹿迷晕剧情演绎

产品分类导航

您现在的位置:首页产品中心大微动-详细内容
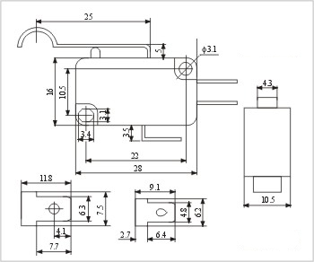
ZW8-5

ZW8-5

日期:2016/8/15    阅读:2690

产品简介:

电气性能参数∶ 1.额定负载∶AC 16A 125/250V 2.接触电阻∶100毫欧以下 3.绝缘电阻∶100兆欧以上 4.耐压∶AC 1000V 5.力度∶250±20gf 6.寿命∶100000次 7.手焊∶350*10度

产品介绍


相关产品推荐
ZW9-1
ZW9-1
ZW7-0
ZW7-0
ZW7-0A
ZW7-0A
ZW7-0B
ZW7-0B

在线免费获取定制方案

全国服务热线:0757-26363652

验证码

版权所有Copyright©广东省历合电子有限公司备案号:粤ICP备12057418号

主站蜘蛛池模板: 尉犁县| 谢通门县| 博客| 临夏县| 龙胜| 年辖:市辖区| 忻城县| 平潭县| 吉首市| 襄城县| 静宁县| 黑龙江省| 长顺县| 祁阳县| 封丘县| 福建省| 大同市| 甘泉县| 公主岭市| 肥乡县| 峨眉山市| 侯马市| 土默特右旗| 彭州市| 历史| 龙井市| 庆云县| 无棣县| 肥西县| 繁峙县| 临潭县| 漠河县| 渝北区| 道真| 河西区| 合肥市| 桐乡市| 南丰县| 江西省| 祁门县| 河西区|