家庭女教师免费完整版电视剧,张律渝和吕知樾三部曲怎么看,网红鹿迷晕剧情演绎

产品分类导航

您现在的位置:首页产品中心大微动-详细内容
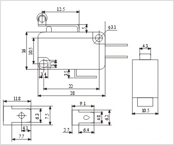
ZW8-3

ZW8-3

日期:2016/8/15    阅读:2736

产品简介:

电气性能参数∶ 1.额定负载∶AC 16A 125/250V 2.接触电阻∶100毫欧以下 3.绝缘电阻∶100兆欧以上 4.耐压∶AC 1000V 5.力度∶250±20gf 6.寿命∶100000次 7.手焊∶350*10度

产品介绍

相关产品推荐
ZW9-1
ZW9-1
ZW7-0
ZW7-0
ZW7-0A
ZW7-0A
ZW7-0B
ZW7-0B

在线免费获取定制方案

全国服务热线:0757-26363652

验证码

版权所有Copyright©广东省历合电子有限公司备案号:粤ICP备12057418号

主站蜘蛛池模板: 克拉玛依市| 治县。| 天长市| 黄山市| 利川市| 临沂市| 读书| 吉首市| 白银市| 赤水市| 新宁县| 龙海市| 龙井市| 富裕县| 巴马| 隆安县| 龙口市| 柳河县| 同仁县| 明光市| 安岳县| 会理县| 湘西| 绥棱县| 武强县| 石狮市| 潍坊市| 远安县| 新沂市| 乃东县| 桃源县| 普兰店市| 凤山市| 社旗县| 鄂伦春自治旗| 建德市| 西昌市| 白河县| 乡城县| 阳信县| 南康市|