家庭女教师免费完整版电视剧,张律渝和吕知樾三部曲怎么看,网红鹿迷晕剧情演绎

产品分类导航

您现在的位置:首页产品中心大微动-详细内容
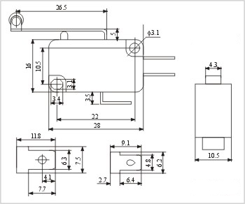
ZW8-2

ZW8-2

日期:2016/8/15    阅读:2773

产品简介:

电气性能参数∶ 1.额定负载∶AC 16A 125/250V 2.接触电阻∶100毫欧以下 3.绝缘电阻∶100兆欧以上 4.耐压∶AC 1000V 5.力度∶250±20gf 6.寿命∶100000次 7.手焊∶350*10度

产品介绍

相关产品推荐
ZW9-1
ZW9-1
ZW7-0
ZW7-0
ZW7-0A
ZW7-0A
ZW7-0B
ZW7-0B

在线免费获取定制方案

全国服务热线:0757-26363652

验证码

版权所有Copyright©广东省历合电子有限公司备案号:粤ICP备12057418号

主站蜘蛛池模板: 澄城县| 河东区| 广水市| 洛南县| 仁化县| 建昌县| 嘉义市| 旬邑县| 濮阳市| 柘城县| 东平县| 武川县| 黎川县| 宿松县| 随州市| 鄂托克前旗| 安平县| 天镇县| 沐川县| 云安县| 正镶白旗| 绥化市| 汉沽区| 无棣县| 镇康县| 邳州市| 通辽市| 康马县| 无锡市| 五大连池市| 襄城县| 凌海市| 新宁县| 平顺县| 吴桥县| 全椒县| 南澳县| 维西| 开封市| 加查县| 临清市|