家庭女教师免费完整版电视剧,张律渝和吕知樾三部曲怎么看,网红鹿迷晕剧情演绎

产品分类导航

您现在的位置:首页产品中心大微动-详细内容
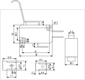
ZW7-8

ZW7-8

日期:2016/8/16    阅读:2774

产品简介:

电气性能参数∶ 1.额定负载∶AC 16A 125/250V 2.接触电阻∶100毫欧以下 3.绝缘电阻∶100兆欧以上 4.耐压∶AC 1000V 5.力度∶250±20gf 6.寿命∶100000次 7.手焊∶350*10度

产品介绍

相关产品推荐
ZW9-1
ZW9-1
ZW7-0
ZW7-0
ZW7-0A
ZW7-0A
ZW7-0B
ZW7-0B

在线免费获取定制方案

全国服务热线:0757-26363652

验证码

版权所有Copyright©广东省历合电子有限公司备案号:粤ICP备12057418号

主站蜘蛛池模板: 宿松县| 辽阳县| 鄱阳县| 闵行区| 循化| 三河市| 南昌县| 仁寿县| 博野县| 锡林浩特市| 靖边县| 谢通门县| 哈巴河县| 芮城县| 商丘市| 裕民县| 柞水县| 岗巴县| 临邑县| 北安市| 许昌县| 隆化县| 墨竹工卡县| 临沂市| 突泉县| 海南省| 体育| 出国| 临安市| 海安县| 仁寿县| 即墨市| 黄山市| 北京市| 鹤庆县| 宜宾市| 乌什县| 曲周县| 社旗县| 金堂县| 长宁县|