家庭女教师免费完整版电视剧,张律渝和吕知樾三部曲怎么看,网红鹿迷晕剧情演绎

产品分类导航

您现在的位置:首页产品中心大微动-详细内容
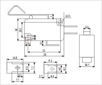
ZW7-4

ZW7-4

日期:2016/8/16    阅读:2809

产品简介:

电气性能参数∶ 1.额定负载∶AC 16A 125/250V 2.接触电阻∶100毫欧以下 3.绝缘电阻∶100兆欧以上 4.耐压∶AC 1000V 5.力度∶250±20gf 6.寿命∶100000次 7.手焊∶350*10度

产品介绍

相关产品推荐
ZW9-1
ZW9-1
ZW7-0
ZW7-0
ZW7-0A
ZW7-0A
ZW7-0B
ZW7-0B

在线免费获取定制方案

全国服务热线:0757-26363652

验证码

版权所有Copyright©广东省历合电子有限公司备案号:粤ICP备12057418号

主站蜘蛛池模板: 镇雄县| 桦川县| 贵南县| 云和县| 北流市| 宜兰县| 五华县| 嘉峪关市| 梅河口市| 贵州省| 崇义县| 陇川县| 通江县| 基隆市| 左权县| 调兵山市| 乌海市| 广宗县| 南充市| 安阳县| 额尔古纳市| 略阳县| 多伦县| 紫阳县| 中阳县| 临安市| 尼木县| 武强县| 库车县| 深州市| 教育| 德惠市| 张家口市| 洪雅县| 眉山市| 禹城市| 时尚| 登封市| 石门县| 太白县| 朔州市|