²úÆ··ÖÀർº½
ÄúÏÖÔÚµÄλÖãºÊ×Ò³£²úÆ·ÖÐÐÄ£´ó΢¶¯-ÏêϸÄÚÈÝ
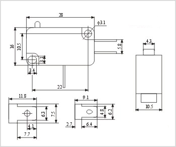
ZW7-0A
ÈÕÆÚ£º2016/8/16 ÔĶÁ£º4769´Î
²úÆ·¼ò½é£º
µçÆøÐÔÄܲÎÊý¡Ã 1.¶î¶¨¸ºÔØ¡ÃAC 16A 125/250V 2.½Ó´¥µç×è¡Ã100ºÁÅ·ÒÔÏ 3.¾øÔµµç×è¡Ã100Õ×Å·ÒÔÉÏ 4.ÄÍѹ¡ÃAC 1000V 5.Á¦¶È¡Ã250¡À20gf 6.ÊÙÃü¡Ã100000´Î 7.ÊÖº¸¡Ã350*10¶È
²úÆ·½éÉÜ
Ïà¹Ø²úÆ·ÍÆ¼ö

- ZW9-1

- ZW7-0

- ZW7-0A

- ZW7-0B
