产品分类导航
您现在的位置:首页-产品中心-大电流拨动系列-详细内容
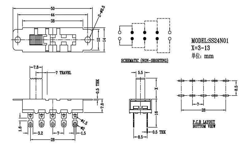
SS-24N01
日期:2018/6/2 阅读:2957次
产品简介:
撥動開關主要技術參數 使用功率/額定值:DC 50V 0.3A~1A 觸點電阻:< 100 mΩ 絕緣電阻:≥ 100 MΩ 耐壓:500V AC for 1 minute 撥動力:180~500gf 使用壽命:10000次 操作溫度:-16℃to+60℃ 儲存溫度:-40℃to+85℃ 符合標準:RoHs&Reach
产品介绍

相关产品推荐

- SS-1305

- SS-25H25-T

- SS-23H25-T

- SS-23H25
